Oficina tècnica
La nostra oficina tècnica desenvolupa projectes d’instal·lacions que faciliten la adequada execució de la instal·lació i la seva futura legalització davant dels òrgans competents.
Disposem d’arquitecta tècnica en plantilla, i d’enginyers industrials col·laboradors.
La nostra experiència al sector ens permet donar una atenció personalitzada, i un servei adequat d’assessorament tècnic especialitzat als nostres clients.
- Legalitzacions: elèctriques (BT, especialista), Clima (ITE), Gas
- Butlletins de reconeixement
- Projectes elèctrics
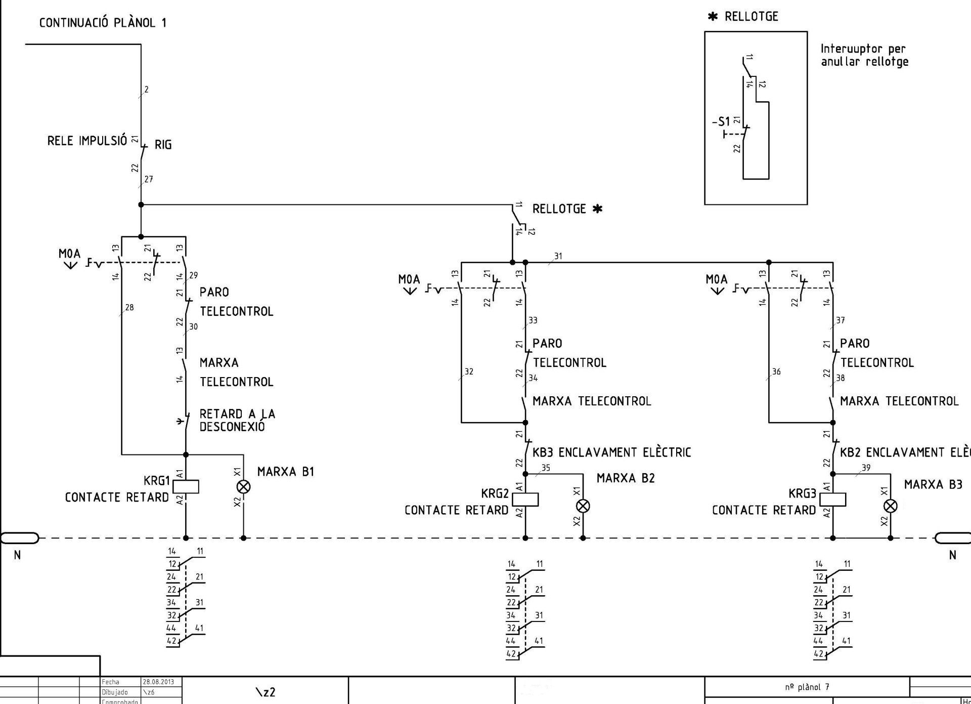
- Plànols
- Controls de consums elèctrics i estudis per abaratir costos.
- Gestions de tràmit amb l’empresa subministradora per reduïr o augmentar potència.
- Pressupostos (sense compromís)



